Open FreeCAD 0.18 and start a new document with Ctrl-n (while holding down either `Ctrl' key, click the `n') or click the circled icon:
Ensure that the `Combo View' panel is visible at the left; if not, go to the menu, select `View, Panels, Combo View'.
Change to the `Part' workbench using the dropdown shown (FreeCAD shows `Start' on first opening). A workbench is simply a collection of tools, some of which are common across work benches.
Click on the `Create a cube solid' icon.
Icons might not be placed in the same location as shown in these screenshots as the toolbars can be moved around manually.
Hit `0' on the keyboard, or click on the Isometric view icon.
A grey cube should now be displayed in the 3D window:
Select `Cube' in the Combo View at the left of the screen. The grey cube should now be selected, all faces turning green.
Using the property fields, making sure the `Data' tab at the very bottom is selected, change the `Width' (Y axis) to 2 mm and the `Height' (Z axis) to 1 mm. Changes will be visible immediately. Increments (of the specified unit, in this case `mm') can also be made using the up/down arrows in the field, or the up/down arrows on the keyboard.
Hit `v', then `f', or click on the `Fit content on screen' icon:
This is what should now be visible in the 3D view:
We will reuse this cube, so save this as a file: `File, Save As, [filename, e.g. cube.FCStd], [Save]'
Take particular note of the coloured axes in the bottom right of the 3D window. Note that RGB (red, green, blue) corresponds to X, Y and Z:
Right-click on `Cube' (in the `Combo View, Model tree') and select `Transform':
Note the coloured balls and the arcs. The colours correspond to the axes at the bottom right of the 3D window, and the arcs show (albeit in 2D) the potential rotation around the X, Y, and Z axes.
Use the balls to rotate the object around the origin (0, 0, 0).
Use the cones to move the object along the selected axis.
The amount of incremental adjustment using this transform method can be changed on the left. Click [OK] when finished moving the object around.
Any amount of translation or rotation (or transformation) can be reset. Click on the ellipsis (the `3 dots' button) next to `Placement' (word `Placement' missing from the screenshot).
Click the `Reset' button
Reset the `Translation' values for X, Y, and Z back to zero.
Under `Rotation', change `Axis' to any of X, Y, or Z, and reset `Angle' to 0o.
Click [OK].
Obviously the above screen can also be used to directly enter the object's position (using `Translation') and its rotation around any desired axis.
Click any of the standard view icons (or use keys 0-6) to see the object as 3D (key 0), or from the front (key 1, etc), top, right, rear, bottom, left.
Experiment with the arrows on the `Navigation cluster' (the locator cube at the top right). The very centre of the cluster can be selected and dragged to another location in the panel. Note this only changes the viewing point of the object, not its position.
Use the mouse wheel to zoom in and out (or Ctrl-+ and Ctrl--). Note how the screen dimensions change at the bottom right.
Use the arrow keys to move the screen around - note that the object itself is not moving, just the viewing position.
Select a face on the object and use `v, f' or the `Fit selection' icon to display that face in the middle of the screen.
Use the `Draw style' to draw the object several different ways. `As is' and `Wireframe' are useful at this stage.
In addition to the XYZ axes at the bottom right of the 3D window, a larger axis cross can be turned on by going to the menu and selecting `View, Toggle axis cross'.
This is also useful for identifying the origin point of a solid created by FreeCAD. This is a wireframe view of a sphere next to the normal 3D view.
To change the colours of individual faces, right-click on `Cube' in the `Combo View' and select `Set colours'. In the 3D window, select a face of the object (or more than one face using `Ctrl' and clicking the colour selector button (circled, currently showing grey). Multiple selection can also be performed by clicking on `Box selection' and drawing a rectangle with the mouse around the desired faces).
For example:
Distance from any point on the object to another can be measured using the ruler; simply click on the ruler icon, then select a start point, then a finish point, and the measurement will be drawn. This measurement can be deleted directly from the Combo View by selecting it and hitting `Delete'.
For example:
Standard objects are drawn from this button list:
Use this button to create a range of other objects, such as:
Due to a bug, the order of the following tasks is important.

Filleted edges:
Occasionally a request may be made with parameters that would cause an illegal operation (or a bug may cause a similar problem). The object may disappear from the screen, and a little exclamation mark will appear in a red circle on the requested operation. For example, this is where a chamfer was requested where the size of the chamfer was larger than the object itself:
To fix the above error, or simpy to undo the operation, in the `Combo View', select `Chamfer', then click [Delete]. (`Ctrl-z' will undo the last operation as well.) The original cube should reappear. Try repeating the steps of the operation in a different order, for example, a bug mentioned previously can always be reproduced if [OK] is clicked after coming directly from the 3D window.

Chamfered edges:
After an operation is carried out, the original object's altered faces/edges are hidden. They can be redisplayed by going to the operation name, expanding it using the dropdown arrow, selecting the original object, and hitting [Spacebar]. This works for all hidden objects, which are greyed out in the Combo View model tree.
Mirroring is an easy way to copy an object that ends up in a separate placement to the original. Note that changes made to the

Mirrored on XY plane:
Mirrored on XZ plane:
Mirrored on YZ plane:
Several properties of an object created by mirroring, such as placement and face colour, can be adjusted independently of the original. However, if the dimensions (Length, Width, Height) of the original are changed, the mirrored object's dimensions will change as well.
If you want a clone of an object, but with the ability to change its dimensions independently of the original, select the original in the `Combo View' tree, hit `Ctrl-c' (Copy), then `Ctrl-V' (Paste). If you receive the `Object dependencies' popup, answer `Yes'.
A copied object is placed exactly over the original, so it may not be immediately visible before its orientation is modified.
A weird tool - it applies a specified thickness to an object, then removes the original shape leaving a hollow. For example, if we take the original cube and select the Top face, hold down Ctrl and select the Front face, then click `Thickness', this is what we get:
It is convenient when creating containers:
If we create a cylinder and select the Top face, hold down Ctrl and select the Bottom face, then click `Thickness', we get a pipe:
There are better ways to create pipes.


There are a few important points and techniques to be learned in building this object, even though the object itself doesn't make much sense.
Create a new document using the `Part Design' workbench.
Create a new body. A body contains the standard X, Y, and Z axes and their associated planes. Either click on
or click on `Create body' in the `Tasks' list of the Combo View'. 
Select `Create sketch'
Select `XY_Plane (Base plane)' and click [OK] 
On the left, change the `Grid size' value to `10.00 mm', and note that you can turn the `Grid snap' setting on and off - this will become important! 
Zoom out using the mouse wheel (scrolling `backwards') until the 3D screen resembles something like this: 
Hit the `R' key, or click the `Rectangle' icon: 
As you move the cross hairs around the screen, note that the coordinates change. Go the point (0.00, 30.0) and click once.
Move the cross hairs until the dimensions change to (40.0 x -30.0) and click once.
Click either the `Close' button at the left, or select the `Exit editing sketch' icon: 
Hit `v, f' to resize the rectangle on the screen.
From the `Sketch tools' list, select `Pad', or click the `Pad' icon: 
Change the `Length' to 4 mm, and click [OK].
Hit `0' on the keyboard to show the 3D view (you may have to click in the 3D window):
This is the base of our new object.
Click on `Pad' in the tree of the Combo View. Either right-click and select `Rename' or select `F2'. Change `Pad' to `Base' and hit [Enter].
Click on the black dropdown arrow at the left of `Base' and select the `Sketch' underneath.
Double-click on `Sketch', or right-click and select `Edit sketch', or click the `Edit...' icon: 
From the same menu as the rectangle, select the `Circle' and move the cross hairs until (5.0, 25.0) and click once.
Move the cross hairs out until the radius says (3.0R) and click to fix it in position. Note how the cross hairs appear again immediately ready to create another circle.
Create three more circles centred at (15.0, 25.0), (25.0, 25.0), and (35.0, 25.0). It might be necessary to zoom in to make it easier to select the correct coordinates.
Click `Close' and the base should now look like this (perhaps without the yellow top face): 
Note how creating a circle in the sketch automatically created a hole in the object.
Edit the sketch (click `Edit' icon or double-click `Sketch') and craw a rectangle from (10.0, 17.5) until the dimensions are (20.0 x -5.0) and close the sketch:

It's probably a good idea at this point in time to save the document - save as `base.FCStd'. FreeCAD is still a work in progress, and it is possible to crash it losing any unsaved work. (File, Save As...)
Select `Part Design, Involute gear...' from the menu.
Change the number of teeth to 20, and `Module' to 0.50 mm, and click [OK].
Right-click on `InvoluteGear' in the Model tree, and select `Move object to other body'. Click [OK] to select the `Body' of the base object.
Click on the word `Placement' in the Data tab, Base properties in the Combo View, and click on the triple dots (ellipsis) at the far right of the values field when it appears:
Ellipsis here:
Under `Rotation', change `Axis' to X and `Angle' to 90 degrees.
Under `Translation', change `X' to 20, `Y' to 17.5, and `Z' to 2 mm, and click [OK].
We now want to pad the gear out to fill all the space available.
Select `Pad' and notice how the gear defaults to 10 mm in length. Change the `Type' to `Up to face', hit `4' to look at the base from the rear, then tilt the base (we're actually changing the view of the base) using the navigation cluster
with a single click to get this view:
Click on the face indicated in yellow: 
... and the gear should be padded to fill the space available. Click [OK], then `0' to see the 3D view from the normal angle. (It may be necessary to click inside the 3D view before the view will change with the number keys.) 
Save the document as `with_gear.FCStd' so we don't overwrite the `base.FCStd' document.
Select the top face by clicking on it: 
Create a new sketch on that face
, or select `Combo View, Tasks, Face tools, Create sketch'.
Draw a rectangle from (2.5, 7.5) until the dimensions are (5.0 x -5.0). Click [Close].
Click the Pad icon and change the `Length' to 5 mm to create a perfect cube. Click [OK].
Use F2 on the Pad name just created and change it to `Cube'.
With `Cube' still selected, click the `Linear pattern feature' icon:
Under `LinearPattern parameters' set the `Length' to 30 mm and `Occurrences' to 4. Click [OK].
When using `LinearPattern', the `Length' measures from the origin of the original object to the same point in the last repeated object.
Save the document as `with_cubes.FCStd'.
Select the front face of the cube on the left: 
Click `Create a new sketch', or `Create sketch' under `Face tools'.
Draw a circle with the centre at (5.0, 10.0) and give the circle a radius of 2.7 mm. Click [Close].
Select `Pocket' and change the `Length' to 6 mm: 
It's best to extend a cut/pocket a little past the exact measurements of the cut object.
Change workbenches to `Part' and create a new cube solid using the yellow cube icon.
Use F2 to change the name of the new cube to `EraseCube'.
Change the `Length' and `Width' to 8 mm and the `Height' to 5 mm.
It may be easiest to perform the next steps using the Front (hit 1) or Top (hit 2) views.
Right click on `EraseCube' and select `Transform' and place the cube over the second smaller cube like so (using the top view):
Switch to the Front view (1) and tilt `EraseCube' backwards by 45 degrees:
, then click [OK].
In the Model tree, select the Pocket immediately above `EraseCube' with a single click, hold down `Ctrl' and also select `EraseCube' with a click: 
From the Boolean operations toolbar, select the `Cut' tool: 
This should be the result (viewed from the front):
The order of selection is important; think of a cut like a subtraction - in this case, `Pocket' - `EraseCube' = `Cut'. Selecting EraseCube' first would leave it the only thing on the screen.
Select the top of the third cube, then click the `Chamfer' icon.
Change the Fillet Parameter Selection to `Select faces' and change the `Length' to 2.3 mm.
Click the top of the third cube again (the Edges should become selected with a length of 2.3 mm) and click [OK]: 
Click on the torus icon (the yellow donut) to add a new torus solid to the screen, select `Torus' from the Model tree, and change `Radius1' to 6 mm (controlling the X diameter) and `Radius2' (the Y diameter) to 2 mm.
Change the X, Y, Z Placement values to 35, 5, and 12 respectively, the `Axis' to X and the `Angle' to 90 degrees, then click [OK]:
.
Although the 3D view shows something which looks solid, the Torus and the other object are still independent. They can be merged together by Ctrl-clicking on both the `Chamfer' and the `Torus', then selecting the `Compound' tool
.
The object is now complete, and can be imported into a `TechDraw' workbench drawing for printing.
Printing can only be performed in FreeCAD from a 2D drawing, although screenshots can easily be made of a 3D picture and copied into a text document and then printed.
Measurements do not come across from a 3D object onto a printed page. They must be added separately.
Hit 2 to view the object from the top.
Change to the `TechDraw' workbench.
Click on `Insert new default Page': 
Note that the green area in the descriptions are clickable; each attribute can be changed from the default value: 
Click on `Compound' in the Model View.
Click the `Insert view in Page' button: 
This View can be moved around on the page by clicking and dragging the white area outside the main shape but inside the View green boundaries.
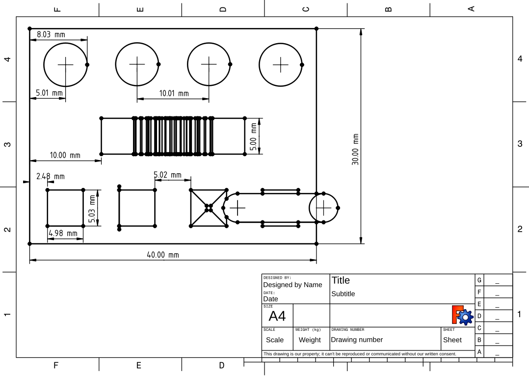
Click on `Page' in the Properties and change `Scale' to 4.00.
Click on the top horizontal border, hold down `Ctrl', and click on the bottom horizontal border, then click `Insert new horizontal distance dimension' from the TechDraw dimensions tools
. The value can be dragged to wherever it is best visible.
Do the same for the two vertical borders, and various other dimensions:
A 3D representation can also be printed, but note that dimensions marked up on this perspective will not be accurate.
Annotations and different views can be printed on the same page:
For a list of what tools the workbenches contain, go to: All workbenches at a glance
FreeCAD tutorial version 1. Created using FreeCAD v0.18 for Linux (the .AppImage)